轴承专区
Bearings Center
STO 12轴承-SKF STO 12轴承尺寸、图纸、价格
SKF STO 12轴承
| 产品名称: | STO 12轴承 | 品牌: | SKF |
|---|---|---|---|
| 类型: | SKF轴承 > 滚动轴承 > 滚轮轴承 | ||
| 描述: | STO 12轴承是【SKF轴承 > 滚动轴承 > 滚轮轴承】的型号,主要用在电气装置部件、燃汽轮机、压缩机、后轮、木工机械、起重机吊钩、船舶用螺旋桨轴、烟草机械、专用车、风力发电设备等各大领域 | ||
电话/微信:138-8949-5179
SKF STO 12轴承详细信息
STO 12轴承是【SKF轴承 > 滚动轴承 > 滚轮轴承】的型号,主要用在电气装置部件、燃汽轮机、压缩机、后轮、木工机械、起重机吊钩、船舶用螺旋桨轴、烟草机械、专用车、风力发电设备等各大领域。
SKF STO 12轴承详细参数
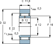
| 不带法兰圈支承滚子,有内圈 | |||||||||||
| 尺寸 | 基本负荷额定值 | 疲劳限值 | 最大径向负荷 | 限制速度 | 体积 | 型号 | |||||
| 动态 | 静态 | 动态 | 静态 | ||||||||
| D | d | C | C | C0 | Pu | Fr | F0r | ||||
| mm | kN | kN | kN | r/min | kg | - | |||||
| 32 | 12 | 11,8 | 8,8 | 9,8 | 1,18 | 8,3 | 12 | 5600 | 0,057 | STO 12 | |
SKF STO 12轴承尺寸图纸

