李工:138-8949-5179 刘工:135-0428-8802
型号查询
轴承型号   常见搜索: 6028轴承 6030轴承 6013轴承 6032轴承 71913轴承 6021轴承
型号查询 X

轴承专区

Bearings Center

SIL 8 C轴承-SKF SIL 8 C轴承尺寸、图纸、价格

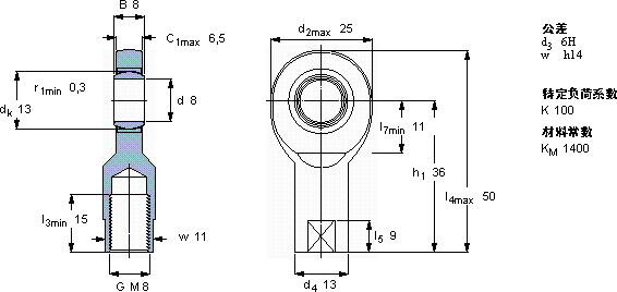
SKF SIL 8 C轴承

产品名称:SIL 8 C轴承 品牌:SKF
类型:SKF轴承 > 球面滑动轴承和杆端关节轴承 > 免维护的杆端关节轴承
描述:SIL 8 C轴承是【SKF轴承 > 球面滑动轴承和杆端关节轴承 > 免维护的杆端关节轴承】的型号,主要用在家用电器、机床主轴、汽车发动机、汽车、振动筛、耕耘机、塔吊、钟表、平地机、塔式车库等各大领域

 电话/微信:138-8949-5179

SKF SIL 8 C轴承详细信息

SIL 8 C轴承是【SKF轴承 > 球面滑动轴承和杆端关节轴承 > 免维护的杆端关节轴承】的型号,主要用在家用电器、机床主轴、汽车发动机、汽车、振动筛、耕耘机、塔吊、钟表、平地机、塔式车库等各大领域。

SKF SIL 8 C轴承详细参数

免维护杆端, 阴螺纹, 钢/烧结铜复合材料
主要数据尺寸角度倾的基本负荷额定值质量型号
动态静态轴承座完全与密封件
dd2Bd3C1h1±CC0
6H
mm度数kNkg-
8258M 86,536155,8512,90,039SIL 8 C

SKF SIL 8 C轴承尺寸图纸

李工:138-8949-5179

刘工:135-0428-8802

地址:辽宁省大连经济技术开发区现代城3栋-13-13号

在线客服系统