李工:138-8949-5179 刘工:135-0428-8802
型号查询
轴承型号   常见搜索: 6002轴承 23136轴承 71913轴承 *轴承 6018轴承 6016轴承
型号查询 X

轴承专区

Bearings Center

SIL 6 C轴承-SKF SIL 6 C轴承尺寸、图纸、价格

SKF SIL 6 C轴承

产品名称:SIL 6 C轴承 品牌:SKF
类型:SKF轴承 > 球面滑动轴承和杆端关节轴承 > 免维护的杆端关节轴承
描述:SIL 6 C轴承是【SKF轴承 > 球面滑动轴承和杆端关节轴承 > 免维护的杆端关节轴承】的型号,主要用在电气装置部件、燃料喷射泵、燃汽轮机、齿轮减速装置、轧钢机辊道子、石油钻机、船舶用螺旋桨轴、薄膜拉伸、解体机、伽玛等各大领域

 电话/微信:138-8949-5179

SKF SIL 6 C轴承详细信息

SIL 6 C轴承是【SKF轴承 > 球面滑动轴承和杆端关节轴承 > 免维护的杆端关节轴承】的型号,主要用在电气装置部件、燃料喷射泵、燃汽轮机、齿轮减速装置、轧钢机辊道子、石油钻机、船舶用螺旋桨轴、薄膜拉伸、解体机、伽玛等各大领域。

SKF SIL 6 C轴承详细参数

免维护杆端, 阴螺纹, 钢/烧结铜复合材料
主要数据尺寸角度倾的基本负荷额定值质量型号
动态静态轴承座完全与密封件
dd2Bd3C1h1±CC0
6H
mm度数kNkg-
6226M 64,530133,68,150,020SIL 6 C

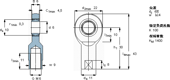
SKF SIL 6 C轴承尺寸图纸

李工:138-8949-5179

刘工:135-0428-8802

地址:辽宁省大连经济技术开发区现代城3栋-13-13号

在线客服系统