李工:138-8949-5179 刘工:135-0428-8802
型号查询
轴承型号   常见搜索: 6016轴承 6005轴承 6309轴承 2025轴承 71913轴承 6906轴承
型号查询 X

轴承专区

Bearings Center

SIKB 10 F/VZ019轴承-SKF SIKB 10 F/VZ019轴承尺寸、图纸、价格

SKF SIKB 10 F/VZ019轴承

产品名称:SIKB 10 F/VZ019轴承 品牌:SKF
类型:SKF轴承 > 球面滑动轴承和杆端关节轴承 > 免维护的杆端关节轴承
描述:SIKB 10 F/VZ019轴承是【SKF轴承 > 球面滑动轴承和杆端关节轴承 > 免维护的杆端关节轴承】的型号,主要用在铁路车辆、小型汽车前轮、提升机、差速器、造纸机械、汽车转向销、冶炼厂、洗染、掘进机、正面吊等各大领域

 电话/微信:138-8949-5179

SKF SIKB 10 F/VZ019轴承详细信息

SIKB 10 F/VZ019轴承是【SKF轴承 > 球面滑动轴承和杆端关节轴承 > 免维护的杆端关节轴承】的型号,主要用在铁路车辆、小型汽车前轮、提升机、差速器、造纸机械、汽车转向销、冶炼厂、洗染、掘进机、正面吊等各大领域。

SKF SIKB 10 F/VZ019轴承详细参数

免维护杆端, 阴螺纹, 钢/PTFE复合材料
主要数据尺寸角度倾的基本负荷额定值质量型号
动态静态轴承座完全与密封件
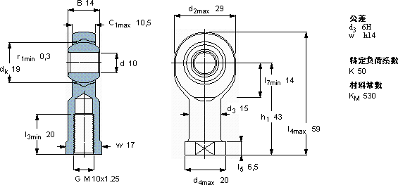
dd2Bd3C1h1±CC0
6H
mm度数kNkg-
102914M 10x1.2510,543139,814,30,079SIKB 10 F/VZ019

SKF SIKB 10 F/VZ019轴承尺寸图纸

李工:138-8949-5179

刘工:135-0428-8802

地址:辽宁省大连经济技术开发区现代城3栋-13-13号

在线客服系统