李工:138-8949-5179 刘工:135-0428-8802
型号查询
轴承型号   常见搜索: 6305轴承 6026轴承 6020轴承 *轴承 32313轴承 6010轴承
型号查询 X

轴承专区

Bearings Center

SIA 50 ES-2RS轴承-SKF SIA 50 ES-2RS轴承尺寸、图纸、价格

SKF SIA 50 ES-2RS轴承

产品名称:SIA 50 ES-2RS轴承 品牌:SKF
类型:SKF轴承 > 球面滑动轴承和杆端关节轴承 > 需维护的杆端关节轴承
描述:SIA 50 ES-2RS轴承是【SKF轴承 > 球面滑动轴承和杆端关节轴承 > 需维护的杆端关节轴承】的型号,主要用在铁路车辆、燃汽轮机、提升机、后轮、木工机械、石油钻机、冶炼厂、医药设备、解体机、吹氧装置等各大领域

 电话/微信:138-8949-5179

SKF SIA 50 ES-2RS轴承详细信息

SIA 50 ES-2RS轴承是【SKF轴承 > 球面滑动轴承和杆端关节轴承 > 需维护的杆端关节轴承】的型号,主要用在铁路车辆、燃汽轮机、提升机、后轮、木工机械、石油钻机、冶炼厂、医药设备、解体机、吹氧装置等各大领域。

SKF SIA 50 ES-2RS轴承详细参数

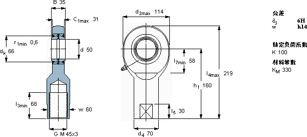
需要维护的杆端, 钢对钢,阴螺纹, 两面密封件
主要数据尺寸角度倾的基本负荷额定值质量型号
动态静态杆端带右或左旋螺纹
dd2Bd3C1h1±CC0
6H
mm度数kNkg-
5011435M 45x33116061562704,10SIA 50 ES-2RS

SKF SIA 50 ES-2RS轴承尺寸图纸

李工:138-8949-5179

刘工:135-0428-8802

地址:辽宁省大连经济技术开发区现代城3栋-13-13号

在线客服系统