轴承专区
Bearings Center
SI 20 C轴承-SKF SI 20 C轴承尺寸、图纸、价格
SKF SI 20 C轴承
| 产品名称: | SI 20 C轴承 | 品牌: | SKF |
|---|---|---|---|
| 类型: | SKF轴承 > 球面滑动轴承和杆端关节轴承 > 免维护的杆端关节轴承 | ||
| 描述: | SI 20 C轴承是【SKF轴承 > 球面滑动轴承和杆端关节轴承 > 免维护的杆端关节轴承】的型号,主要用在电气装置部件、燃汽轮机、汽车发动机、后轮、铁路车辆车轴、起重机吊钩、船舶用螺旋桨轴、医药设备、专用车、风力发电设备等各大领域 | ||
电话/微信:138-8949-5179
SKF SI 20 C轴承详细信息
SI 20 C轴承是【SKF轴承 > 球面滑动轴承和杆端关节轴承 > 免维护的杆端关节轴承】的型号,主要用在电气装置部件、燃汽轮机、汽车发动机、后轮、铁路车辆车轴、起重机吊钩、船舶用螺旋桨轴、医药设备、专用车、风力发电设备等各大领域。
SKF SI 20 C轴承详细参数
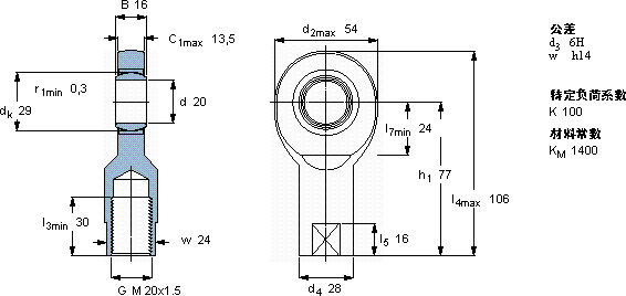
| 免维护杆端, 阴螺纹, 钢/烧结铜复合材料 | |||||||||||
| 主要数据尺寸 | 角度倾的 | 基本负荷额定值 | 质量 | 型号 | |||||||
| 动态 | 静态 | 轴承座完全与密封件 | |||||||||
| d | d2 | B | d3 | C1 | h1 | ± | C | C0 | |||
| 6H | |||||||||||
| mm | 度数 | kN | kg | - | |||||||
| 20 | 54 | 16 | M 20x1.5 | 13,5 | 77 | 9 | 31,5 | 57 | 0,34 | SI 20 C | |
SKF SI 20 C轴承尺寸图纸

