李工:138-8949-5179 刘工:135-0428-8802
型号查询
轴承型号   常见搜索: 1轴承 6906轴承 6008轴承 6016轴承 6900轴承 6026轴承
型号查询 X

轴承专区

Bearings Center

SI 17 ES轴承-SKF SI 17 ES轴承尺寸、图纸、价格

SKF SI 17 ES轴承

产品名称:SI 17 ES轴承 品牌:SKF
类型:SKF轴承 > 球面滑动轴承和杆端关节轴承 > 需维护的杆端关节轴承
描述:SI 17 ES轴承是【SKF轴承 > 球面滑动轴承和杆端关节轴承 > 需维护的杆端关节轴承】的型号,主要用在通用电动机、罗茨鼓风机、燃汽轮机、建筑机械、各类产业用减速机、石油钻机转环、轧钢机轧制螺杆用减速机、啤酒、轻工机械、机场加油机等各大领域

 电话/微信:138-8949-5179

SKF SI 17 ES轴承详细信息

SI 17 ES轴承是【SKF轴承 > 球面滑动轴承和杆端关节轴承 > 需维护的杆端关节轴承】的型号,主要用在通用电动机、罗茨鼓风机、燃汽轮机、建筑机械、各类产业用减速机、石油钻机转环、轧钢机轧制螺杆用减速机、啤酒、轻工机械、机场加油机等各大领域。

SKF SI 17 ES轴承详细参数

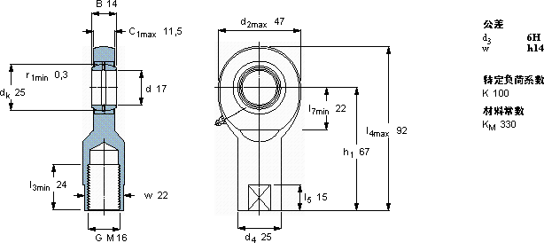
需要维护的杆端, 钢对钢,阴螺纹
主要数据尺寸角度倾的基本负荷额定值质量型号
动态静态杆端带右或左旋螺纹
dd2Bd3C1h1±CC0
6H
mm度数kNkg-
174714M 1611,5671021,2440,25SI 17 ES

SKF SI 17 ES轴承尺寸图纸

李工:138-8949-5179

刘工:135-0428-8802

地址:辽宁省大连经济技术开发区现代城3栋-13-13号

在线客服系统