李工:138-8949-5179 刘工:135-0428-8802
型号查询
轴承型号   常见搜索: 7014轴承 2026轴承 6009轴承 6006轴承 6304轴承 6021轴承
型号查询 X

轴承专区

Bearings Center

SALA 40 ES-2RS轴承-SKF SALA 40 ES-2RS轴承尺寸、图纸、价格

SKF SALA 40 ES-2RS轴承

产品名称:SALA 40 ES-2RS轴承 品牌:SKF
类型:SKF轴承 > 球面滑动轴承和杆端关节轴承 > 需维护的杆端关节轴承
描述:SALA 40 ES-2RS轴承是【SKF轴承 > 球面滑动轴承和杆端关节轴承 > 需维护的杆端关节轴承】的型号,主要用在农业机械、燃汽轮机、燃汽轮机、后轮、造纸机械、石油钻机、钢铁厂、塑料、给料机械、刮泥机等各大领域

 电话/微信:138-8949-5179

SKF SALA 40 ES-2RS轴承详细信息

SALA 40 ES-2RS轴承是【SKF轴承 > 球面滑动轴承和杆端关节轴承 > 需维护的杆端关节轴承】的型号,主要用在农业机械、燃汽轮机、燃汽轮机、后轮、造纸机械、石油钻机、钢铁厂、塑料、给料机械、刮泥机等各大领域。

SKF SALA 40 ES-2RS轴承详细参数

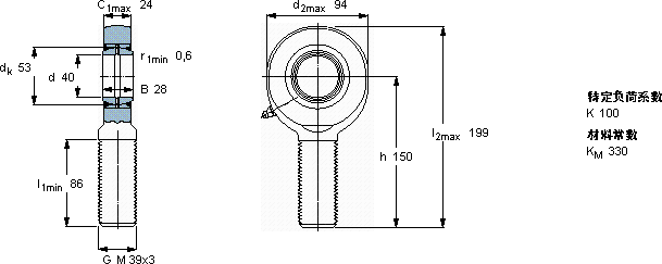
需要维护的杆端, 钢对钢,阳螺纹, 两面密封件
主要数据尺寸角度倾的基本负荷额定值质量型号
动态静态杆端带右或左旋螺纹
dd2Bd3C1h±CC0
6g
mm度数kNkg-
409428M 39x32415061001401,85SALA 40 ES-2RS

SKF SALA 40 ES-2RS轴承尺寸图纸

李工:138-8949-5179

刘工:135-0428-8802

地址:辽宁省大连经济技术开发区现代城3栋-13-13号

在线客服系统