李工:138-8949-5179 刘工:135-0428-8802
型号查询
轴承型号   常见搜索: 6026轴承 6900轴承 6015轴承 6012轴承 1轴承 6014轴承
型号查询 X

轴承专区

Bearings Center

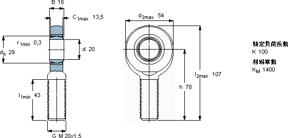
SA 20 C轴承-SKF SA 20 C轴承尺寸、图纸、价格

SKF SA 20 C轴承

产品名称:SA 20 C轴承 品牌:SKF
类型:SKF轴承 > 球面滑动轴承和杆端关节轴承 > 免维护的杆端关节轴承
描述:SA 20 C轴承是【SKF轴承 > 球面滑动轴承和杆端关节轴承 > 免维护的杆端关节轴承】的型号,主要用在农业机械、油泵、减速装置、机床主轴、振动筛、起重机吊钩、钢铁厂、制鞋、专用车、太阳能发电设备等各大领域

 电话/微信:138-8949-5179

SKF SA 20 C轴承详细信息

SA 20 C轴承是【SKF轴承 > 球面滑动轴承和杆端关节轴承 > 免维护的杆端关节轴承】的型号,主要用在农业机械、油泵、减速装置、机床主轴、振动筛、起重机吊钩、钢铁厂、制鞋、专用车、太阳能发电设备等各大领域。

SKF SA 20 C轴承详细参数

免维护杆端, 阳螺纹, 钢/烧结铜复合材料
主要数据尺寸角度倾的基本负荷额定值质量型号
动态静态轴承座完全与密封件
dd2Bd3C1h±CC0
6g
mm度数kNkg-
205416M 20x1.513,578931,5510,29SA 20 C

SKF SA 20 C轴承尺寸图纸

李工:138-8949-5179

刘工:135-0428-8802

地址:辽宁省大连经济技术开发区现代城3栋-13-13号

在线客服系统