李工:138-8949-5179 刘工:135-0428-8802
型号查询
轴承型号   常见搜索: 3214轴承 6304轴承 6005轴承 6909轴承 32313轴承 6205轴承
型号查询 X

轴承专区

Bearings Center

RSTO 25轴承-SKF RSTO 25轴承尺寸、图纸、价格

SKF RSTO 25轴承

产品名称:RSTO 25轴承 品牌:SKF
类型:SKF轴承 > 滚动轴承 > 滚轮轴承
描述:RSTO 25轴承是【SKF轴承 > 滚动轴承 > 滚轮轴承】的型号,主要用在后轮、燃料喷射泵、挖土机履带轮、齿轮减速装置、铁路车辆车轴、起重机吊钩、水力发电机、啤酒、专用车、泥炮等各大领域

 电话/微信:138-8949-5179

SKF RSTO 25轴承详细信息

RSTO 25轴承是【SKF轴承 > 滚动轴承 > 滚轮轴承】的型号,主要用在后轮、燃料喷射泵、挖土机履带轮、齿轮减速装置、铁路车辆车轴、起重机吊钩、水力发电机、啤酒、专用车、泥炮等各大领域。

SKF RSTO 25轴承详细参数

不带法兰圈支承滚子,无内圈
尺寸基本负荷额定值疲劳限值最大径向负荷限制速度体积型号
动态静态动态静态
DFwCCC0PuFrF0r
mmkNkNkNr/minkg-
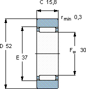
523015,816,522,82,7182634000,15RSTO 25

SKF RSTO 25轴承尺寸图纸

李工:138-8949-5179

刘工:135-0428-8802

地址:辽宁省大连经济技术开发区现代城3栋-13-13号

在线客服系统