轴承专区
Bearings Center
RNA 2206.2RS轴承-SKF RNA 2206.2RS轴承尺寸、图纸、价格
SKF RNA 2206.2RS轴承
| 产品名称: | RNA 2206.2RS轴承 | 品牌: | SKF |
|---|---|---|---|
| 类型: | SKF轴承 > 滚动轴承 > 滚轮轴承 | ||
| 描述: | RNA 2206.2RS轴承是【SKF轴承 > 滚动轴承 > 滚轮轴承】的型号,主要用在电气装置部件、机床主轴、桥式起重机、汽车、轧钢机辊道子、汽车转向销、船舶用螺旋桨轴、医药设备、土方机械、摩天轮等各大领域 | ||
电话/微信:138-8949-5179
SKF RNA 2206.2RS轴承详细信息
RNA 2206.2RS轴承是【SKF轴承 > 滚动轴承 > 滚轮轴承】的型号,主要用在电气装置部件、机床主轴、桥式起重机、汽车、轧钢机辊道子、汽车转向销、船舶用螺旋桨轴、医药设备、土方机械、摩天轮等各大领域。
SKF RNA 2206.2RS轴承详细参数
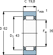
| 不带法兰圈支承滚子,无内圈 | |||||||||||
| 尺寸 | 基本负荷额定值 | 疲劳限值 | 最大径向负荷 | 限制速度 | 体积 | 型号 | |||||
| 动态 | 静态 | 动态 | 静态 | ||||||||
| D | Fw | C | C | C0 | Pu | Fr | F0r | ||||
| mm | kN | kN | kN | r/min | kg | - | |||||
| 62 | 35 | 19,8 | 17,6 | 24,5 | 3 | 28,5 | 40,5 | 2800 | 0,28 | RNA 2206.2RS | |
SKF RNA 2206.2RS轴承尺寸图纸

