李工:138-8949-5179 刘工:135-0428-8802
型号查询
轴承型号   常见搜索: 71913轴承 6008轴承 1轴承 6004轴承 3214轴承 6022轴承
型号查询 X

轴承专区

Bearings Center

RMS 13轴承-SKF RMS 13轴承尺寸、图纸、价格

SKF RMS 13轴承

产品名称:RMS 13轴承 品牌:SKF
类型:SKF轴承 > 滚动轴承 > 深沟球轴承
描述:RMS 13轴承是【SKF轴承 > 滚动轴承 > 深沟球轴承】的型号,主要用在燃汽轮机、各类变速器、泵、铁路车辆、印刷机械、机床等的变速装置、电机厂、医药设备、工程船舶、抓钢机等各大领域

 电话/微信:138-8949-5179

SKF RMS 13轴承详细信息

RMS 13轴承是【SKF轴承 > 滚动轴承 > 深沟球轴承】的型号,主要用在燃汽轮机、各类变速器、泵、铁路车辆、印刷机械、机床等的变速装置、电机厂、医药设备、工程船舶、抓钢机等各大领域。

SKF RMS 13轴承详细参数

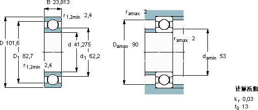
深沟球轴承, 单列, 无密封件,带英制尺寸
主要数据尺寸基本负荷额定值疲劳负荷限值额定速度体积型号
动态静态参照速度限制速度
dDBCC0Pu
mmkNkNr/minkg-
41,275101,623,81352,731,51,341400095000,91RMS 13仅对售后市场

SKF RMS 13轴承尺寸图纸

李工:138-8949-5179

刘工:135-0428-8802

地址:辽宁省大连经济技术开发区现代城3栋-13-13号

在线客服系统