李工:138-8949-5179 刘工:135-0428-8802
型号查询
轴承型号   常见搜索: 22222轴承 6205轴承 6214轴承 6010轴承 6013轴承 6900轴承
型号查询 X

轴承专区

Bearings Center

RLS 16轴承-SKF RLS 16轴承尺寸、图纸、价格

SKF RLS 16轴承

产品名称:RLS 16轴承 品牌:SKF
类型:SKF轴承 > 滚动轴承 > 深沟球轴承
描述:RLS 16轴承是【SKF轴承 > 滚动轴承 > 深沟球轴承】的型号,主要用在电气装置部件、空气压缩机、中型及大型电动机、大型农业机械、振动筛、汽车转向销、船舶用螺旋桨轴、钟表、掘进机、风力发电设备等各大领域

 电话/微信:138-8949-5179

SKF RLS 16轴承详细信息

RLS 16轴承是【SKF轴承 > 滚动轴承 > 深沟球轴承】的型号,主要用在电气装置部件、空气压缩机、中型及大型电动机、大型农业机械、振动筛、汽车转向销、船舶用螺旋桨轴、钟表、掘进机、风力发电设备等各大领域。

SKF RLS 16轴承详细参数

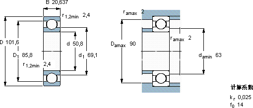
深沟球轴承, 单列, 无密封件,带英制尺寸
主要数据尺寸基本负荷额定值疲劳负荷限值额定速度体积型号
动态静态参照速度限制速度
dDBCC0Pu
mmkNkNr/minkg-
50,8101,620,63735,123,20,9814000100000,70RLS 16仅对售后市场

SKF RLS 16轴承尺寸图纸

李工:138-8949-5179

刘工:135-0428-8802

地址:辽宁省大连经济技术开发区现代城3栋-13-13号

在线客服系统