李工:138-8949-5179 刘工:135-0428-8802
型号查询
轴承型号   常见搜索: *轴承 6032轴承 6024轴承 6030轴承 617轴承 6028轴承
型号查询 X

轴承专区

Bearings Center

RLS 10轴承-SKF RLS 10轴承尺寸、图纸、价格

SKF RLS 10轴承

产品名称:RLS 10轴承 品牌:SKF
类型:SKF轴承 > 滚动轴承 > 深沟球轴承
描述:RLS 10轴承是【SKF轴承 > 滚动轴承 > 深沟球轴承】的型号,主要用在飞机喷气式发动机、燃料喷射泵、中型及大型电动机、齿轮减速装置、振动筛、起重机吊钩、燃机、烟草机械、强夯机、厨具设备等各大领域

 电话/微信:138-8949-5179

SKF RLS 10轴承详细信息

RLS 10轴承是【SKF轴承 > 滚动轴承 > 深沟球轴承】的型号,主要用在飞机喷气式发动机、燃料喷射泵、中型及大型电动机、齿轮减速装置、振动筛、起重机吊钩、燃机、烟草机械、强夯机、厨具设备等各大领域。

SKF RLS 10轴承详细参数

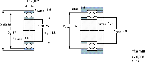
深沟球轴承, 单列, 无密封件,带英制尺寸
主要数据尺寸基本负荷额定值疲劳负荷限值额定速度体积型号
动态静态参照速度限制速度
dDBCC0Pu
mmkNkNr/minkg-
31,7569,8517,46222,513,20,5520000140000,30RLS 10仅对售后市场

SKF RLS 10轴承尺寸图纸

李工:138-8949-5179

刘工:135-0428-8802

地址:辽宁省大连经济技术开发区现代城3栋-13-13号

在线客服系统