李工:138-8949-5179 刘工:135-0428-8802
型号查询
轴承型号   常见搜索: 3214轴承 6018轴承 2025轴承 6309轴承 6004轴承 6019轴承
型号查询 X

轴承专区

Bearings Center

PL 72轴承-SKF PL 72轴承尺寸、图纸、价格

SKF PL 72轴承

产品名称:PL 72轴承 品牌:SKF
类型:SKF轴承 > 滚动轴承 > 轴承附件
描述:PL 72轴承是【SKF轴承 > 滚动轴承 > 轴承附件】的型号,主要用在各种产业机械、差速器小齿轮轴、燃汽轮机、小齿轮轴、印刷机械、机床等的变速装置、发电厂、塑料、工程船舶、雷达等各大领域

 电话/微信:138-8949-5179

SKF PL 72轴承详细信息

PL 72轴承是【SKF轴承 > 滚动轴承 > 轴承附件】的型号,主要用在各种产业机械、差速器小齿轮轴、燃汽轮机、小齿轮轴、印刷机械、机床等的变速装置、发电厂、塑料、工程船舶、雷达等各大领域。

SKF PL 72轴承详细参数

P锁紧片夹, 英制尺寸
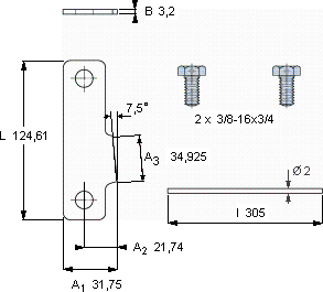
尺寸体积型号
锁定板适宜的锁定螺母
LA1B
mmkg-
124,6131,753,20,1PL 72N 072

SKF PL 72轴承尺寸图纸

李工:138-8949-5179

刘工:135-0428-8802

地址:辽宁省大连经济技术开发区现代城3栋-13-13号

在线客服系统