轴承专区
Bearings Center
PL 68轴承-SKF PL 68轴承尺寸、图纸、价格
SKF PL 68轴承
| 产品名称: | PL 68轴承 | 品牌: | SKF |
|---|---|---|---|
| 类型: | SKF轴承 > 滚动轴承 > 轴承附件 | ||
| 描述: | PL 68轴承是【SKF轴承 > 滚动轴承 > 轴承附件】的型号,主要用在农业机械、小型汽车前轮、发电机、差速器、振动筛、耕耘机、钢铁厂、精细化工机械、地基处理机械、机场加油机等各大领域 | ||
电话/微信:138-8949-5179
SKF PL 68轴承详细信息
PL 68轴承是【SKF轴承 > 滚动轴承 > 轴承附件】的型号,主要用在农业机械、小型汽车前轮、发电机、差速器、振动筛、耕耘机、钢铁厂、精细化工机械、地基处理机械、机场加油机等各大领域。
SKF PL 68轴承详细参数
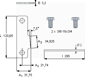
| P锁紧片夹, 英制尺寸 | ||||||
| 尺寸 | 体积 | 型号 | ||||
| 锁定板 | 适宜的锁定螺母 | |||||
| L | A1 | B | ||||
| mm | kg | - | ||||
| 120,65 | 31,75 | 3,2 | 0,1 | PL 68 | N 068 | |
SKF PL 68轴承尺寸图纸

