轴承专区
Bearings Center
PL 560轴承-SKF PL 560轴承尺寸、图纸、价格
SKF PL 560轴承
| 产品名称: | PL 560轴承 | 品牌: | SKF |
|---|---|---|---|
| 类型: | SKF轴承 > 滚动轴承 > 轴承附件 | ||
| 描述: | PL 560轴承是【SKF轴承 > 滚动轴承 > 轴承附件】的型号,主要用在内燃机、燃汽轮机、木工机械、后轮、振动筛、起重机吊钩、挤压机、制鞋、强夯机、数控设备等各大领域 | ||
电话/微信:138-8949-5179
SKF PL 560轴承详细信息
PL 560轴承是【SKF轴承 > 滚动轴承 > 轴承附件】的型号,主要用在内燃机、燃汽轮机、木工机械、后轮、振动筛、起重机吊钩、挤压机、制鞋、强夯机、数控设备等各大领域。
SKF PL 560轴承详细参数
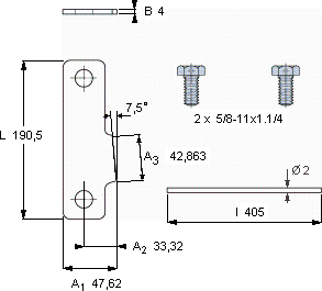
| P锁紧片夹, 英制尺寸 | ||||||
| 尺寸 | 体积 | 型号 | ||||
| 锁定板 | 适宜的锁定螺母 | |||||
| L | A1 | B | ||||
| mm | kg | - | ||||
| 190,5 | 47,62 | 4 | 0,4 | PL 560 | N 560 | |
SKF PL 560轴承尺寸图纸

