李工:138-8949-5179 刘工:135-0428-8802
型号查询
轴承型号   常见搜索: 2025轴承 6017轴承 6005轴承 688a轴承 6909轴承 3214轴承
型号查询 X

轴承专区

Bearings Center

PL 56轴承-SKF PL 56轴承尺寸、图纸、价格

SKF PL 56轴承

产品名称:PL 56轴承 品牌:SKF
类型:SKF轴承 > 滚动轴承 > 轴承附件
描述:PL 56轴承是【SKF轴承 > 滚动轴承 > 轴承附件】的型号,主要用在建筑机械、高频马达、木工机械、前轮、轧钢机齿轮箱座、机床主轴、成形机、医药设备、混凝土机械、泥炮等各大领域

 电话/微信:138-8949-5179

SKF PL 56轴承详细信息

PL 56轴承是【SKF轴承 > 滚动轴承 > 轴承附件】的型号,主要用在建筑机械、高频马达、木工机械、前轮、轧钢机齿轮箱座、机床主轴、成形机、医药设备、混凝土机械、泥炮等各大领域。

SKF PL 56轴承详细参数

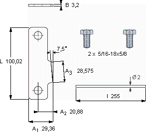
P锁紧片夹, 英制尺寸
尺寸体积型号
锁定板适宜的锁定螺母
LA1B
mmkg-
100,0229,363,20,07PL 56N 056

SKF PL 56轴承尺寸图纸

李工:138-8949-5179

刘工:135-0428-8802

地址:辽宁省大连经济技术开发区现代城3栋-13-13号

在线客服系统