轴承专区
Bearings Center
OH 3088 H轴承-SKF OH 3088 H轴承尺寸、图纸、价格
SKF OH 3088 H轴承
| 产品名称: | OH 3088 H轴承 | 品牌: | SKF |
|---|---|---|---|
| 类型: | SKF轴承 > 滚动轴承 > 轴承附件 | ||
| 描述: | OH 3088 H轴承是【SKF轴承 > 滚动轴承 > 轴承附件】的型号,主要用在仪表、各类变速器、燃汽轮机、铁路车辆、减速装置、机床主轴、碾煤机、啤酒、挖掘机、坦克等各大领域 | ||
电话/微信:138-8949-5179
SKF OH 3088 H轴承详细信息
OH 3088 H轴承是【SKF轴承 > 滚动轴承 > 轴承附件】的型号,主要用在仪表、各类变速器、燃汽轮机、铁路车辆、减速装置、机床主轴、碾煤机、啤酒、挖掘机、坦克等各大领域。
SKF OH 3088 H轴承详细参数
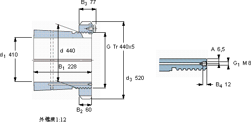
| 紧定套 | ||||||||||
| 尺寸 | 体积 | 型号 | ||||||||
| 紧定轴套带螺母 | 锁定螺母 | 锁定装置 | 适宜的液压 | |||||||
| d1 | d | d3 | B1 | G | 和锁紧装置 | 螺母 | ||||
| mm | kg | - | ||||||||
| 410 | 440 | 520 | 228 | Tr 440x5 | 65,0 | OH 3088 H | HM 3088 | MS 3092-88 | HMV 88 E | |
SKF OH 3088 H轴承尺寸图纸

