轴承专区
Bearings Center
OH 2356 H轴承-SKF OH 2356 H轴承尺寸、图纸、价格
SKF OH 2356 H轴承
| 产品名称: | OH 2356 H轴承 | 品牌: | SKF |
|---|---|---|---|
| 类型: | SKF轴承 > 滚动轴承 > 轴承附件 | ||
| 描述: | OH 2356 H轴承是【SKF轴承 > 滚动轴承 > 轴承附件】的型号,主要用在农业机械、空气压缩机、汽车发动机、大型农业机械、轧钢机辊道子、耕耘机、钢铁厂、洗染、地基处理机械、刮泥机等各大领域 | ||
电话/微信:138-8949-5179
SKF OH 2356 H轴承详细信息
OH 2356 H轴承是【SKF轴承 > 滚动轴承 > 轴承附件】的型号,主要用在农业机械、空气压缩机、汽车发动机、大型农业机械、轧钢机辊道子、耕耘机、钢铁厂、洗染、地基处理机械、刮泥机等各大领域。
SKF OH 2356 H轴承详细参数
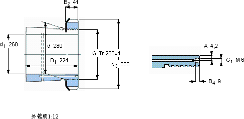
| 紧定套 | ||||||||||
| 尺寸 | 体积 | 型号 | ||||||||
| 紧定轴套带螺母 | 锁定螺母 | 锁定装置 | 适宜的液压 | |||||||
| d1 | d | d3 | B1 | G | 和锁紧装置 | 螺母 | ||||
| mm | kg | - | ||||||||
| 260 | 280 | 350 | 224 | Tr 280x4 | 27,0 | OH 2356 H | HM 56 T | MB 56 | HMV 56 E | |
SKF OH 2356 H轴承尺寸图纸

