李工:138-8949-5179 刘工:135-0428-8802
型号查询
轴承型号   常见搜索: 6003轴承 2025轴承 6018轴承 6019轴承 6013轴承 32313轴承
型号查询 X

轴承专区

Bearings Center

NUP 326 ECP *轴承-SKF NUP 326 ECP *轴承尺寸、图纸、价格

SKF NUP 326 ECP *轴承

产品名称:NUP 326 ECP *轴承 品牌:SKF
类型:SKF轴承 > 滚动轴承 > 圆柱滚子轴承
描述:NUP 326 ECP *轴承是【SKF轴承 > 滚动轴承 > 圆柱滚子轴承】的型号,主要用在变速器、各类变速器、燃汽轮机、铁路车辆、轧钢机齿轮箱座、机床主轴、立式电动机、纺织、混凝土机械、机械手等各大领域

 电话/微信:138-8949-5179

SKF NUP 326 ECP *轴承详细信息

NUP 326 ECP *轴承是【SKF轴承 > 滚动轴承 > 圆柱滚子轴承】的型号,主要用在变速器、各类变速器、燃汽轮机、铁路车辆、轧钢机齿轮箱座、机床主轴、立式电动机、纺织、混凝土机械、机械手等各大领域。

SKF NUP 326 ECP *轴承详细参数

圆柱滚子轴承, 单列, NUP 设计
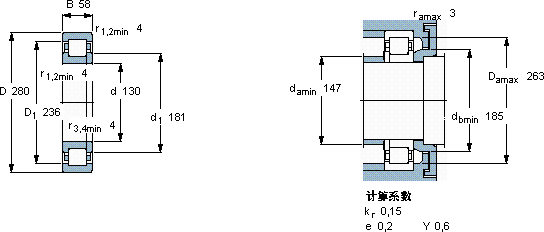
主要数据尺寸基本负荷额定值疲劳负荷限值额定速度体积型号适宜的斜挡圈
动态静态参照速度限制速度型号
dDBCC0Pu * - SKF Explorer 轴承
mmkNkNr/minkg--
1302805872075081,52400300019,6NUP 326 ECP *-

SKF NUP 326 ECP *轴承尺寸图纸

李工:138-8949-5179

刘工:135-0428-8802

地址:辽宁省大连经济技术开发区现代城3栋-13-13号

在线客服系统