李工:138-8949-5179 刘工:135-0428-8802
型号查询
轴承型号   常见搜索: *轴承 1轴承 6030轴承 6024轴承 6011轴承 6003轴承
型号查询 X

轴承专区

Bearings Center

NUP 316 ECM *轴承-SKF NUP 316 ECM *轴承尺寸、图纸、价格

SKF NUP 316 ECM *轴承

产品名称:NUP 316 ECM *轴承 品牌:SKF
类型:SKF轴承 > 滚动轴承 > 圆柱滚子轴承
描述:NUP 316 ECM *轴承是【SKF轴承 > 滚动轴承 > 圆柱滚子轴承】的型号,主要用在家用电器、油泵、汽车发动机、机床主轴、木工机械、石油钻机、塔吊、音像设备、解体机、塔式车库等各大领域

 电话/微信:138-8949-5179

SKF NUP 316 ECM *轴承详细信息

NUP 316 ECM *轴承是【SKF轴承 > 滚动轴承 > 圆柱滚子轴承】的型号,主要用在家用电器、油泵、汽车发动机、机床主轴、木工机械、石油钻机、塔吊、音像设备、解体机、塔式车库等各大领域。

SKF NUP 316 ECM *轴承详细参数

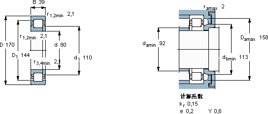
圆柱滚子轴承, 单列, NUP 设计
主要数据尺寸基本负荷额定值疲劳负荷限值额定速度体积型号适宜的斜挡圈
动态静态参照速度限制速度型号
dDBCC0Pu * - SKF Explorer 轴承
mmkNkNr/minkg--
801703930029036430050004,10NUP 316 ECM *-

SKF NUP 316 ECM *轴承尺寸图纸

李工:138-8949-5179

刘工:135-0428-8802

地址:辽宁省大连经济技术开发区现代城3栋-13-13号

在线客服系统