李工:138-8949-5179 刘工:135-0428-8802
型号查询
轴承型号   常见搜索: 6309轴承 3214轴承 *轴承 6019轴承 6008轴承 6006轴承
型号查询 X

轴承专区

Bearings Center

NUP 248 MA轴承-SKF NUP 248 MA轴承尺寸、图纸、价格

SKF NUP 248 MA轴承

产品名称:NUP 248 MA轴承 品牌:SKF
类型:SKF轴承 > 滚动轴承 > 圆柱滚子轴承
描述:NUP 248 MA轴承是【SKF轴承 > 滚动轴承 > 圆柱滚子轴承】的型号,主要用在电气装置部件、空气压缩机、发电机、大型农业机械、木工机械、耕耘机、船舶用螺旋桨轴、制鞋、平地机、风力发电设备等各大领域

 电话/微信:138-8949-5179

SKF NUP 248 MA轴承详细信息

NUP 248 MA轴承是【SKF轴承 > 滚动轴承 > 圆柱滚子轴承】的型号,主要用在电气装置部件、空气压缩机、发电机、大型农业机械、木工机械、耕耘机、船舶用螺旋桨轴、制鞋、平地机、风力发电设备等各大领域。

SKF NUP 248 MA轴承详细参数

圆柱滚子轴承, 单列, NUP 设计
主要数据尺寸基本负荷额定值疲劳负荷限值额定速度体积型号适宜的斜挡圈
动态静态参照速度限制速度型号
dDBCC0Pu
mmkNkNr/minkg--
2404407295213701291600220053,5NUP 248 MA-

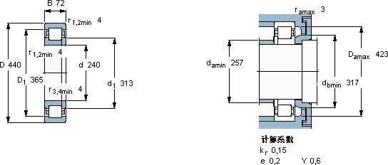
SKF NUP 248 MA轴承尺寸图纸

李工:138-8949-5179

刘工:135-0428-8802

地址:辽宁省大连经济技术开发区现代城3栋-13-13号

在线客服系统