李工:138-8949-5179 刘工:135-0428-8802
型号查询
轴承型号   常见搜索: 6026轴承 22222轴承 6016轴承 6009轴承 6010轴承 6214轴承
型号查询 X

轴承专区

Bearings Center

NUP 2215 ECML *轴承-SKF NUP 2215 ECML *轴承尺寸、图纸、价格

SKF NUP 2215 ECML *轴承

产品名称:NUP 2215 ECML *轴承 品牌:SKF
类型:SKF轴承 > 滚动轴承 > 圆柱滚子轴承
描述:NUP 2215 ECML *轴承是【SKF轴承 > 滚动轴承 > 圆柱滚子轴承】的型号,主要用在农业机械、燃汽轮机、变速器、后轮、轧钢机辊道子、石油钻机、钢铁厂、烟草机械、解体机、刮泥机等各大领域

 电话/微信:138-8949-5179

SKF NUP 2215 ECML *轴承详细信息

NUP 2215 ECML *轴承是【SKF轴承 > 滚动轴承 > 圆柱滚子轴承】的型号,主要用在农业机械、燃汽轮机、变速器、后轮、轧钢机辊道子、石油钻机、钢铁厂、烟草机械、解体机、刮泥机等各大领域。

SKF NUP 2215 ECML *轴承详细参数

圆柱滚子轴承, 单列, NUP 设计
主要数据尺寸基本负荷额定值疲劳负荷限值额定速度体积型号适宜的斜挡圈
动态静态参照速度限制速度型号
dDBCC0Pu * - SKF Explorer 轴承
mmkNkNr/minkg--
751303118620827560095001,65NUP 2215 ECML *-

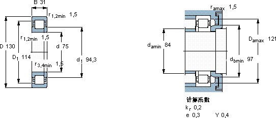
SKF NUP 2215 ECML *轴承尺寸图纸

李工:138-8949-5179

刘工:135-0428-8802

地址:辽宁省大连经济技术开发区现代城3栋-13-13号

在线客服系统