李工:138-8949-5179 刘工:135-0428-8802
型号查询
轴承型号   常见搜索: 6305轴承 6002轴承 6304轴承 617轴承 *轴承 6026轴承
型号查询 X

轴承专区

Bearings Center

NUP 219 ECM *轴承-SKF NUP 219 ECM *轴承尺寸、图纸、价格

SKF NUP 219 ECM *轴承

产品名称:NUP 219 ECM *轴承 品牌:SKF
类型:SKF轴承 > 滚动轴承 > 圆柱滚子轴承
描述:NUP 219 ECM *轴承是【SKF轴承 > 滚动轴承 > 圆柱滚子轴承】的型号,主要用在仪表、高频马达、发电机、前轮、破碎机、机床主轴、碾煤机、破碎、挖掘机、厨具设备等各大领域

 电话/微信:138-8949-5179

SKF NUP 219 ECM *轴承详细信息

NUP 219 ECM *轴承是【SKF轴承 > 滚动轴承 > 圆柱滚子轴承】的型号,主要用在仪表、高频马达、发电机、前轮、破碎机、机床主轴、碾煤机、破碎、挖掘机、厨具设备等各大领域。

SKF NUP 219 ECM *轴承详细参数

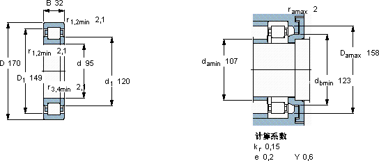
圆柱滚子轴承, 单列, NUP 设计
主要数据尺寸基本负荷额定值疲劳负荷限值额定速度体积型号适宜的斜挡圈
动态静态参照速度限制速度型号
dDBCC0Pu * - SKF Explorer 轴承
mmkNkNr/minkg--
951703225526532,5430048003,00NUP 219 ECM *-

SKF NUP 219 ECM *轴承尺寸图纸

李工:138-8949-5179

刘工:135-0428-8802

地址:辽宁省大连经济技术开发区现代城3栋-13-13号

在线客服系统