李工:138-8949-5179 刘工:135-0428-8802
型号查询
轴承型号   常见搜索: 6012轴承 2025轴承 *轴承 32313轴承 6001轴承 6010轴承
型号查询 X

轴承专区

Bearings Center

NJ 2217 ECP *轴承-SKF NJ 2217 ECP *轴承尺寸、图纸、价格

SKF NJ 2217 ECP *轴承

产品名称:NJ 2217 ECP *轴承 品牌:SKF
类型:SKF轴承 > 滚动轴承 > 圆柱滚子轴承
描述:NJ 2217 ECP *轴承是【SKF轴承 > 滚动轴承 > 圆柱滚子轴承】的型号,主要用在装卸搬运机械、离心分离机、木工机械、变速器、减速装置、制铁制钢机械、矿山、电子、堆取料机、摩天轮等各大领域

 电话/微信:138-8949-5179

SKF NJ 2217 ECP *轴承详细信息

NJ 2217 ECP *轴承是【SKF轴承 > 滚动轴承 > 圆柱滚子轴承】的型号,主要用在装卸搬运机械、离心分离机、木工机械、变速器、减速装置、制铁制钢机械、矿山、电子、堆取料机、摩天轮等各大领域。

SKF NJ 2217 ECP *轴承详细参数

圆柱滚子轴承, 单列, NJ 设计
主要数据尺寸基本负荷额定值疲劳负荷限值额定速度体积型号适宜的斜挡圈
动态静态参照速度限制速度型号
dDBCC0Pu * - SKF Explorer 轴承
mmkNkNr/minkg--
851503625028034,5480053002,55NJ 2217 ECP *-

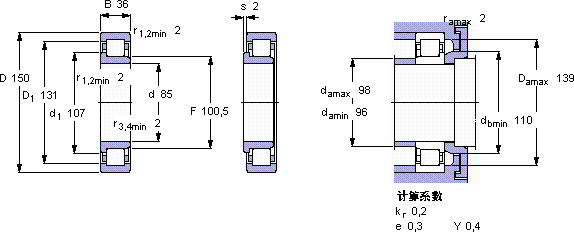
SKF NJ 2217 ECP *轴承尺寸图纸

李工:138-8949-5179

刘工:135-0428-8802

地址:辽宁省大连经济技术开发区现代城3栋-13-13号

在线客服系统