轴承专区
Bearings Center
NJ 2209 ECJ *轴承-SKF NJ 2209 ECJ *轴承尺寸、图纸、价格
SKF NJ 2209 ECJ *轴承
| 产品名称: | NJ 2209 ECJ *轴承 | 品牌: | SKF |
|---|---|---|---|
| 类型: | SKF轴承 > 滚动轴承 > 圆柱滚子轴承 | ||
| 描述: | NJ 2209 ECJ *轴承是【SKF轴承 > 滚动轴承 > 圆柱滚子轴承】的型号,主要用在建筑机械、离心分离机、泵、变速器、轧钢机齿轮箱座、制铁制钢机械、成形机、电子、起重机械、港口起重机等各大领域 | ||
电话/微信:138-8949-5179
SKF NJ 2209 ECJ *轴承详细信息
NJ 2209 ECJ *轴承是【SKF轴承 > 滚动轴承 > 圆柱滚子轴承】的型号,主要用在建筑机械、离心分离机、泵、变速器、轧钢机齿轮箱座、制铁制钢机械、成形机、电子、起重机械、港口起重机等各大领域。
SKF NJ 2209 ECJ *轴承详细参数
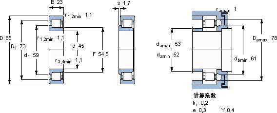
| 圆柱滚子轴承, 单列, NJ 设计 | ||||||||||||
| 主要数据尺寸 | 基本负荷额定值 | 疲劳负荷限值 | 额定速度 | 体积 | 型号 | 适宜的斜挡圈 | ||||||
| 动态 | 静态 | 参照速度 | 限制速度 | 型号 | ||||||||
| d | D | B | C | C0 | Pu | * - SKF Explorer 轴承 | ||||||
| mm | kN | kN | r/min | kg | - | - | ||||||
| 45 | 85 | 23 | 85 | 81,5 | 10,6 | 9000 | 9500 | 0,54 | NJ 2209 ECJ * | - | ||
SKF NJ 2209 ECJ *轴承尺寸图纸

