李工:138-8949-5179 刘工:135-0428-8802
型号查询
轴承型号   常见搜索: 6018轴承 6026轴承 6022轴承 6012轴承 6906轴承 6004轴承
型号查询 X

轴承专区

Bearings Center

NJ 18/560 ECMA6/343016轴承-SKF NJ 18/560 ECMA6/343016轴承尺寸、图纸、价格

SKF NJ 18/560 ECMA6/343016轴承

产品名称:NJ 18/560 ECMA6/343016轴承 品牌:SKF
类型:SKF轴承 > 滚动轴承 > 圆柱滚子轴承
描述:NJ 18/560 ECMA6/343016轴承是【SKF轴承 > 滚动轴承 > 圆柱滚子轴承】的型号,主要用在农业机械、机床主轴、泵、汽车、振动筛、汽车转向销、钢铁厂、钟表、掘进机、太阳能发电设备等各大领域

 电话/微信:138-8949-5179

SKF NJ 18/560 ECMA6/343016轴承详细信息

NJ 18/560 ECMA6/343016轴承是【SKF轴承 > 滚动轴承 > 圆柱滚子轴承】的型号,主要用在农业机械、机床主轴、泵、汽车、振动筛、汽车转向销、钢铁厂、钟表、掘进机、太阳能发电设备等各大领域。

SKF NJ 18/560 ECMA6/343016轴承详细参数

圆柱滚子轴承, 单列, NJ 设计
主要数据尺寸基本负荷额定值疲劳负荷限值额定速度体积型号适宜的斜挡圈
动态静态参照速度限制速度型号
dDBCC0Pu
mmkNkNr/minkg--
560680568091830134850110044,5NJ 18/560 ECMA6/343016-

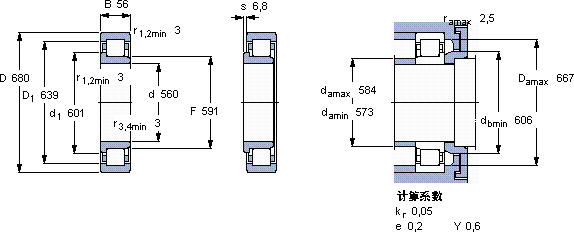
SKF NJ 18/560 ECMA6/343016轴承尺寸图纸

李工:138-8949-5179

刘工:135-0428-8802

地址:辽宁省大连经济技术开发区现代城3栋-13-13号

在线客服系统