李工:138-8949-5179 刘工:135-0428-8802
型号查询
轴承型号   常见搜索: 6032轴承 6002轴承 6909轴承 2025轴承 6001轴承 32313轴承
型号查询 X

轴承专区

Bearings Center

KMTA 28轴承-SKF KMTA 28轴承尺寸、图纸、价格

SKF KMTA 28轴承

产品名称:KMTA 28轴承 品牌:SKF
类型:SKF轴承 > 滚动轴承 > 轴承附件
描述:KMTA 28轴承是【SKF轴承 > 滚动轴承 > 轴承附件】的型号,主要用在燃汽轮机、高频马达、中型及大型电动机、前轮、破碎机、机床等的变速装置、电机厂、制鞋、工程船舶、码垛机器人等各大领域

 电话/微信:138-8949-5179

SKF KMTA 28轴承详细信息

KMTA 28轴承是【SKF轴承 > 滚动轴承 > 轴承附件】的型号,主要用在燃汽轮机、高频马达、中型及大型电动机、前轮、破碎机、机床等的变速装置、电机厂、制鞋、工程船舶、码垛机器人等各大领域。

SKF KMTA 28轴承详细参数

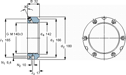
带锁紧销的KMTA精密锁紧定螺母
螺纹尺寸尺寸轴向负荷 体积 型号平头螺钉
承载能力锁定螺母 适宜的板手尺寸推荐的紧固扭矩
d3BG静态
-mm-kNkg---Nm
14016632M 140x39802,45KMTA 28B 180-195M 1035

SKF KMTA 28轴承尺寸图纸

李工:138-8949-5179

刘工:135-0428-8802

地址:辽宁省大连经济技术开发区现代城3栋-13-13号

在线客服系统