李工:138-8949-5179 刘工:135-0428-8802
型号查询
轴承型号   常见搜索: 6214轴承 71913轴承 6008轴承 23136轴承 7014轴承 6001轴承
型号查询 X

轴承专区

Bearings Center

KMT 24轴承-SKF KMT 24轴承尺寸、图纸、价格

SKF KMT 24轴承

产品名称:KMT 24轴承 品牌:SKF
类型:SKF轴承 > 滚动轴承 > 轴承附件
描述:KMT 24轴承是【SKF轴承 > 滚动轴承 > 轴承附件】的型号,主要用在各种产业机械、罗茨鼓风机、桥式起重机、建筑机械、破碎机、石油钻机转环、发电厂、医药设备、轻工机械、冶金起重机等各大领域

 电话/微信:138-8949-5179

SKF KMT 24轴承详细信息

KMT 24轴承是【SKF轴承 > 滚动轴承 > 轴承附件】的型号,主要用在各种产业机械、罗茨鼓风机、桥式起重机、建筑机械、破碎机、石油钻机转环、发电厂、医药设备、轻工机械、冶金起重机等各大领域。

SKF KMT 24轴承详细参数

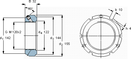
带锁紧销的KMT精密锁紧定螺母
螺纹尺寸尺寸轴向负荷体积型号平头螺钉
承载能力锁定螺母适宜的板手尺寸推荐的紧固扭矩
d3BG 静态
-mm-kNkg---Nm
12014432M 120x28601,60KMT 24TMFN 23-30M 1035

SKF KMT 24轴承尺寸图纸

李工:138-8949-5179

刘工:135-0428-8802

地址:辽宁省大连经济技术开发区现代城3栋-13-13号

在线客服系统