李工:138-8949-5179 刘工:135-0428-8802
型号查询
轴承型号   常见搜索: 6003轴承 6026轴承 6022轴承 6007轴承 1轴承 6016轴承
型号查询 X

轴承专区

Bearings Center

HMVC 72E轴承-SKF HMVC 72E轴承尺寸、图纸、价格

SKF HMVC 72E轴承

产品名称:HMVC 72E轴承 品牌:SKF
类型:SKF轴承 > 滚动轴承 > 轴承附件
描述:HMVC 72E轴承是【SKF轴承 > 滚动轴承 > 轴承附件】的型号,主要用在燃汽轮机、高频马达、泵、前轮、各类产业用减速机、机床主轴、电机厂、洗染、挖掘机、码垛机器人等各大领域

 电话/微信:138-8949-5179

SKF HMVC 72E轴承详细信息

HMVC 72E轴承是【SKF轴承 > 滚动轴承 > 轴承附件】的型号,主要用在燃汽轮机、高频马达、泵、前轮、各类产业用减速机、机床主轴、电机厂、洗染、挖掘机、码垛机器人等各大领域。

SKF HMVC 72E轴承详细参数

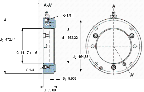
Hydraulic nuts, inch sizes
螺纹尺寸尺寸PermittedPiston area体积型号
piston
Gd1d2d3BB1displacement
mmmm (metric sizes)mmmmmm2 (metric sizes)kg-
in - threads/in (inch sizes)in2 (inch sizes)
356,8714.17 in - 5363,22454,66472,4455,889,90614,98648,578,3HMVC 72E-

SKF HMVC 72E轴承尺寸图纸

李工:138-8949-5179

刘工:135-0428-8802

地址:辽宁省大连经济技术开发区现代城3栋-13-13号

在线客服系统