李工:138-8949-5179 刘工:135-0428-8802
型号查询
轴承型号   常见搜索: 2025轴承 6019轴承 *轴承 6012轴承 6009轴承 6018轴承
型号查询 X

轴承专区

Bearings Center

HMVC 64E轴承-SKF HMVC 64E轴承尺寸、图纸、价格

SKF HMVC 64E轴承

产品名称:HMVC 64E轴承 品牌:SKF
类型:SKF轴承 > 滚动轴承 > 轴承附件
描述:HMVC 64E轴承是【SKF轴承 > 滚动轴承 > 轴承附件】的型号,主要用在内燃机、油泵、纺织机械传动轴、机床主轴、铁路车辆车轴、石油钻机、挤压机、化纤机械、给料机械、抓钢机等各大领域

 电话/微信:138-8949-5179

SKF HMVC 64E轴承详细信息

HMVC 64E轴承是【SKF轴承 > 滚动轴承 > 轴承附件】的型号,主要用在内燃机、油泵、纺织机械传动轴、机床主轴、铁路车辆车轴、石油钻机、挤压机、化纤机械、给料机械、抓钢机等各大领域。

SKF HMVC 64E轴承详细参数

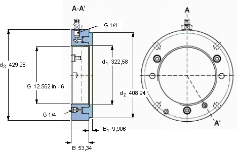
Hydraulic nuts, inch sizes
螺纹尺寸尺寸PermittedPiston area体积型号
piston
Gd1d2d3BB1displacement
mmmm (metric sizes)mmmmmm2 (metric sizes)kg-
in - threads/in (inch sizes)in2 (inch sizes)
316,32412.562 in - 6322,58408,94429,2653,349,90613,9740,865HMVC 64E-

SKF HMVC 64E轴承尺寸图纸

李工:138-8949-5179

刘工:135-0428-8802

地址:辽宁省大连经济技术开发区现代城3栋-13-13号

在线客服系统