轴承专区
Bearings Center
HMVC 120E轴承-SKF HMVC 120E轴承尺寸、图纸、价格
SKF HMVC 120E轴承
| 产品名称: | HMVC 120E轴承 | 品牌: | SKF |
|---|---|---|---|
| 类型: | SKF轴承 > 滚动轴承 > 轴承附件 | ||
| 描述: | HMVC 120E轴承是【SKF轴承 > 滚动轴承 > 轴承附件】的型号,主要用在仪表、印刷机械、发电机、轧钢机辊颈、轧钢机齿轮箱座、制铁制钢机械、碾煤机、洗染、堆取料机、钢包回转台等各大领域 | ||
电话/微信:138-8949-5179
SKF HMVC 120E轴承详细信息
HMVC 120E轴承是【SKF轴承 > 滚动轴承 > 轴承附件】的型号,主要用在仪表、印刷机械、发电机、轧钢机辊颈、轧钢机齿轮箱座、制铁制钢机械、碾煤机、洗染、堆取料机、钢包回转台等各大领域。
SKF HMVC 120E轴承详细参数
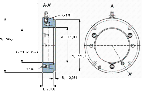
| Hydraulic nuts, inch sizes | ||||||||||||
| 螺纹尺寸 | 尺寸 | Permitted | Piston area | 体积 | 型号 | |||||||
| piston | ||||||||||||
| G | d1 | d2 | d3 | B | B1 | displacement | ||||||
| mm | mm (metric sizes) | mm | mm | mm2 (metric sizes) | kg | - | ||||||
| in - threads/in (inch sizes) | in2 (inch sizes) | |||||||||||
| 596,341 | 23.623 in - 4 | 601,98 | 721,36 | 746,76 | 73,66 | 12,954 | 23,114 | 104,3 | 220 | HMVC 120E | - | |
SKF HMVC 120E轴承尺寸图纸

