李工:138-8949-5179 刘工:135-0428-8802
型号查询
轴承型号   常见搜索: 6016轴承 3214轴承 6024轴承 6001轴承 6028轴承 6909轴承
型号查询 X

轴承专区

Bearings Center

HMVC 11E轴承-SKF HMVC 11E轴承尺寸、图纸、价格

SKF HMVC 11E轴承

产品名称:HMVC 11E轴承 品牌:SKF
类型:SKF轴承 > 滚动轴承 > 轴承附件
描述:HMVC 11E轴承是【SKF轴承 > 滚动轴承 > 轴承附件】的型号,主要用在铁路车辆、燃料喷射泵、桥式起重机、齿轮减速装置、轧钢机辊道子、起重机吊钩、冶炼厂、化纤机械、强夯机、正面吊等各大领域

 电话/微信:138-8949-5179

SKF HMVC 11E轴承详细信息

HMVC 11E轴承是【SKF轴承 > 滚动轴承 > 轴承附件】的型号,主要用在铁路车辆、燃料喷射泵、桥式起重机、齿轮减速装置、轧钢机辊道子、起重机吊钩、冶炼厂、化纤机械、强夯机、正面吊等各大领域。

SKF HMVC 11E轴承详细参数

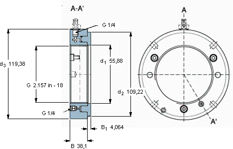
Hydraulic nuts, inch sizes
螺纹尺寸尺寸PermittedPiston area体积型号
piston
Gd1d2d3BB1displacement
mmmm (metric sizes)mmmmmm2 (metric sizes)kg-
in - threads/in (inch sizes)in2 (inch sizes)
53,8712.157 in - 1855,88109,22119,3838,14,0645,084,96,1HMVC 11E-

SKF HMVC 11E轴承尺寸图纸

李工:138-8949-5179

刘工:135-0428-8802

地址:辽宁省大连经济技术开发区现代城3栋-13-13号

在线客服系统