李工:138-8949-5179 刘工:135-0428-8802
型号查询
轴承型号   常见搜索: 6017轴承 6304轴承 6305轴承 6021轴承 6018轴承 6008轴承
型号查询 X

轴承专区

Bearings Center

HMV 62E轴承-SKF HMV 62E轴承尺寸、图纸、价格

SKF HMV 62E轴承

产品名称:HMV 62E轴承 品牌:SKF
类型:SKF轴承 > 滚动轴承 > 轴承附件
描述:HMV 62E轴承是【SKF轴承 > 滚动轴承 > 轴承附件】的型号,主要用在仪表、差速器小齿轮轴、木工机械、小齿轮轴、减速装置、机床主轴、碾煤机、塑料、混凝土机械、钢包回转台等各大领域

 电话/微信:138-8949-5179

SKF HMV 62E轴承详细信息

HMV 62E轴承是【SKF轴承 > 滚动轴承 > 轴承附件】的型号,主要用在仪表、差速器小齿轮轴、木工机械、小齿轮轴、减速装置、机床主轴、碾煤机、塑料、混凝土机械、钢包回转台等各大领域。

SKF HMV 62E轴承详细参数

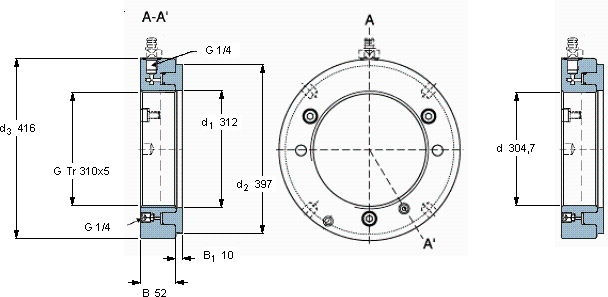
Hydraulic nuts, metric sizes
螺纹尺寸尺寸PermittedPiston area体积型号
piston
Gd1d2d3BB1displacement
mmmm (metric sizes)mmmmmm2 (metric sizes)kg-
in - threads/in (inch sizes)in2 (inch sizes)
310Tr 310x53123974165210142490027,0HMV 62EHMV 62E/A101

SKF HMV 62E轴承尺寸图纸

李工:138-8949-5179

刘工:135-0428-8802

地址:辽宁省大连经济技术开发区现代城3栋-13-13号

在线客服系统