轴承专区
Bearings Center
HMV 16E轴承-SKF HMV 16E轴承尺寸、图纸、价格
SKF HMV 16E轴承
| 产品名称: | HMV 16E轴承 | 品牌: | SKF |
|---|---|---|---|
| 类型: | SKF轴承 > 滚动轴承 > 轴承附件 | ||
| 描述: | HMV 16E轴承是【SKF轴承 > 滚动轴承 > 轴承附件】的型号,主要用在仪表、各类变速器、挖土机履带轮、铁路车辆、破碎机、机床主轴、碾煤机、饮料设备、挖掘机、坦克等各大领域 | ||
电话/微信:138-8949-5179
SKF HMV 16E轴承详细信息
HMV 16E轴承是【SKF轴承 > 滚动轴承 > 轴承附件】的型号,主要用在仪表、各类变速器、挖土机履带轮、铁路车辆、破碎机、机床主轴、碾煤机、饮料设备、挖掘机、坦克等各大领域。
SKF HMV 16E轴承详细参数
| Hydraulic nuts, metric sizes | ||||||||||||
| 螺纹尺寸 | 尺寸 | Permitted | Piston area | 体积 | 型号 | |||||||
| piston | ||||||||||||
| G | d1 | d2 | d3 | B | B1 | displacement | ||||||
| mm | mm (metric sizes) | mm | mm | mm2 (metric sizes) | kg | - | ||||||
| in - threads/in (inch sizes) | in2 (inch sizes) | |||||||||||
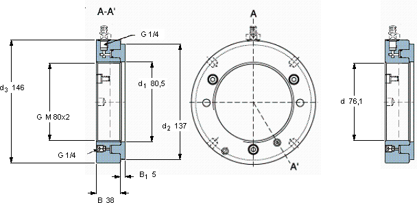
| 80 | M 80x2 | 80,5 | 137 | 146 | 38 | 5 | 5 | 4200 | 3,70 | HMV 16E | HMV 16E/A101 | |
SKF HMV 16E轴承尺寸图纸

