轴承专区
Bearings Center
HMV 100E轴承-SKF HMV 100E轴承尺寸、图纸、价格
SKF HMV 100E轴承
| 产品名称: | HMV 100E轴承 | 品牌: | SKF |
|---|---|---|---|
| 类型: | SKF轴承 > 滚动轴承 > 轴承附件 | ||
| 描述: | HMV 100E轴承是【SKF轴承 > 滚动轴承 > 轴承附件】的型号,主要用在铁路车辆、机床主轴、减速装置、汽车、铁路车辆车轴、汽车转向销、冶炼厂、破碎、掘进机、机械手等各大领域 | ||
电话/微信:138-8949-5179
SKF HMV 100E轴承详细信息
HMV 100E轴承是【SKF轴承 > 滚动轴承 > 轴承附件】的型号,主要用在铁路车辆、机床主轴、减速装置、汽车、铁路车辆车轴、汽车转向销、冶炼厂、破碎、掘进机、机械手等各大领域。
SKF HMV 100E轴承详细参数
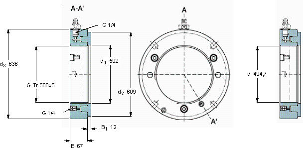
| Hydraulic nuts, metric sizes | ||||||||||||
| 螺纹尺寸 | 尺寸 | Permitted | Piston area | 体积 | 型号 | |||||||
| piston | ||||||||||||
| G | d1 | d2 | d3 | B | B1 | displacement | ||||||
| mm | mm (metric sizes) | mm | mm | mm2 (metric sizes) | kg | - | ||||||
| in - threads/in (inch sizes) | in2 (inch sizes) | |||||||||||
| 500 | Tr 500x5 | 502 | 609 | 636 | 67 | 12 | 19 | 51500 | 70,0 | HMV 100E | HMV 100E/A101 | |
SKF HMV 100E轴承尺寸图纸

