李工:138-8949-5179 刘工:135-0428-8802
型号查询
轴承型号   常见搜索: 6003轴承 6014轴承 617轴承 6909轴承 688a轴承 7014轴承
型号查询 X

轴承专区

Bearings Center

FYRP 2.3/4 H轴承-SKF FYRP 2.3/4 H轴承尺寸、图纸、价格

SKF FYRP 2.3/4 H轴承

产品名称:FYRP 2.3/4 H轴承 品牌:SKF
类型:SKF轴承 > 轴承单元 > 法兰滚子轴承单元
描述:FYRP 2.3/4 H轴承是【SKF轴承 > 轴承单元 > 法兰滚子轴承单元】的型号,主要用在内燃机、燃汽轮机、泵、后轮、轧钢机辊道子、起重机吊钩、挤压机、陶瓷机械、专用车、数控设备等各大领域

 电话/微信:138-8949-5179

SKF FYRP 2.3/4 H轴承详细信息

FYRP 2.3/4 H轴承是【SKF轴承 > 轴承单元 > 法兰滚子轴承单元】的型号,主要用在内燃机、燃汽轮机、泵、后轮、轧钢机辊道子、起重机吊钩、挤压机、陶瓷机械、专用车、数控设备等各大领域。

SKF FYRP 2.3/4 H轴承详细参数

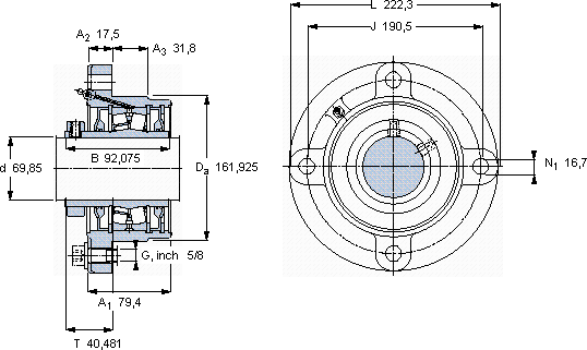
带法兰的滚子轴承单元, 锁定套和插口,用于英制的轴, locating units, general conditions (double-lip seals)
尺寸尺寸 [英寸]限制速度质量型号轴承,基本型号
动态静态
daA1JLTCC0
mmkNr/minkg--
69,8579,4190,5222,340,48115820816009,3FYRP 2.3/4 H22215

SKF FYRP 2.3/4 H轴承尺寸图纸

李工:138-8949-5179

刘工:135-0428-8802

地址:辽宁省大连经济技术开发区现代城3栋-13-13号

在线客服系统