李工:138-8949-5179 刘工:135-0428-8802
型号查询
轴承型号   常见搜索: 6032轴承 6013轴承 6006轴承 6030轴承 6014轴承 6012轴承
型号查询 X

轴承专区

Bearings Center

FYRP 2.15/16 H-18轴承-SKF FYRP 2.15/16 H-18轴承尺寸、图纸、价格

SKF FYRP 2.15/16 H-18轴承

产品名称:FYRP 2.15/16 H-18轴承 品牌:SKF
类型:SKF轴承 > 轴承单元 > 法兰滚子轴承单元
描述:FYRP 2.15/16 H-18轴承是【SKF轴承 > 轴承单元 > 法兰滚子轴承单元】的型号,主要用在燃汽轮机、各类变速器、中型及大型电动机、铁路车辆、减速装置、机床等的变速装置、电机厂、电子、压路机、抓钢机等各大领域

 电话/微信:138-8949-5179

SKF FYRP 2.15/16 H-18轴承详细信息

FYRP 2.15/16 H-18轴承是【SKF轴承 > 轴承单元 > 法兰滚子轴承单元】的型号,主要用在燃汽轮机、各类变速器、中型及大型电动机、铁路车辆、减速装置、机床等的变速装置、电机厂、电子、压路机、抓钢机等各大领域。

SKF FYRP 2.15/16 H-18轴承详细参数

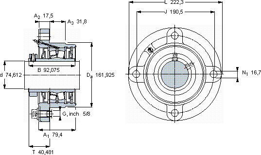
带法兰的滚子轴承单元, 锁定套和插口,用于英制的轴, locating units, labyrinth seals
尺寸尺寸 [英寸]限制速度质量型号轴承,基本型号
动态静态
daA1JLTCC0
mmkNr/minkg--
74,61279,4190,5222,340,48115820834008,85FYRP 2.15/16 H-1822215

SKF FYRP 2.15/16 H-18轴承尺寸图纸

李工:138-8949-5179

刘工:135-0428-8802

地址:辽宁省大连经济技术开发区现代城3栋-13-13号

在线客服系统