李工:138-8949-5179 刘工:135-0428-8802
型号查询
轴承型号   常见搜索: 6009轴承 6026轴承 32313轴承 6305轴承 6002轴承 6900轴承
型号查询 X

轴承专区

Bearings Center

F 1.1/16 FM轴承-SKF F 1.1/16 FM轴承尺寸、图纸、价格

SKF F 1.1/16 FM轴承

产品名称:F 1.1/16 FM轴承 品牌:SKF
类型:SKF轴承 > 轴承单元 > Y-轴承法兰单元
描述:F 1.1/16 FM轴承是【SKF轴承 > 轴承单元 > Y-轴承法兰单元】的型号,主要用在电气装置部件、机床主轴、减速装置、汽车、铁路车辆车轴、耕耘机、船舶用螺旋桨轴、钟表、平地机、摩天轮等各大领域

 电话/微信:138-8949-5179

SKF F 1.1/16 FM轴承详细信息

F 1.1/16 FM轴承是【SKF轴承 > 轴承单元 > Y-轴承法兰单元】的型号,主要用在电气装置部件、机床主轴、减速装置、汽车、铁路车辆车轴、耕耘机、船舶用螺旋桨轴、钟表、平地机、摩天轮等各大领域。

SKF F 1.1/16 FM轴承详细参数

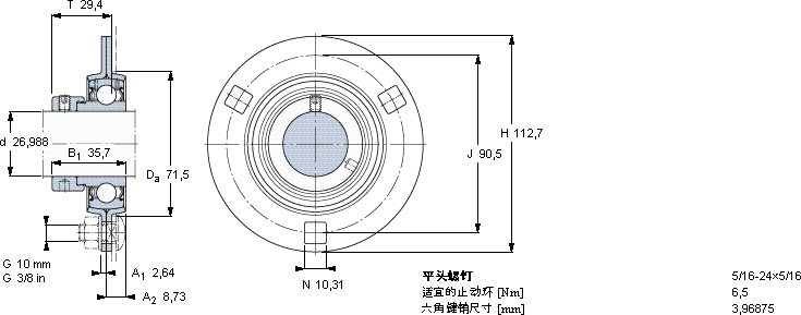
Y-型轴承带法兰单元, 冲压钢轴承座,偏心锁定轴环
尺寸基本负荷额定值可允许住质量轴承单元定购代号
动态静态房装载轴承轴承座轴承
dDaHJTCC0径向单元
mmkNkNkg-
26,98871,5112,790,529,419,511,2-0,64F 1.1/16 FM62MM-3YET 206-101

SKF F 1.1/16 FM轴承尺寸图纸

李工:138-8949-5179

刘工:135-0428-8802

地址:辽宁省大连经济技术开发区现代城3栋-13-13号

在线客服系统