轴承专区
Bearings Center
BEAM 060145-2RS轴承-SKF BEAM 060145-2RS轴承尺寸、图纸、价格
SKF BEAM 060145-2RS轴承
| 产品名称: | BEAM 060145-2RS轴承 | 品牌: | SKF |
|---|---|---|---|
| 类型: | SKF轴承 > 超高精密轴承 > Angular contact thrust ball bearings for screw drives | ||
| 描述: | BEAM 060145-2RS轴承是【SKF轴承 > 超高精密轴承 > Angular contact thrust ball bearings for screw drives】的型号,主要用在电气装置部件、机床主轴、泵、汽车、轧钢机辊道子、耕耘机、船舶用螺旋桨轴、薄膜拉伸、平地机、摩天轮等各大领域 | ||
电话/微信:138-8949-5179
SKF BEAM 060145-2RS轴承详细信息
BEAM 060145-2RS轴承是【SKF轴承 > 超高精密轴承 > Angular contact thrust ball bearings for screw drives】的型号,主要用在电气装置部件、机床主轴、泵、汽车、轧钢机辊道子、耕耘机、船舶用螺旋桨轴、薄膜拉伸、平地机、摩天轮等各大领域。
SKF BEAM 060145-2RS轴承详细参数
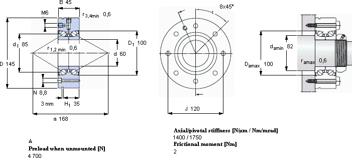
| 角接触推力球轴承 for screw drives, double direction, for bolt mounting | ||||||||||
| 主要数据尺寸 | 基本负荷额定值 | 疲劳负荷限值 | Attainable speed | 体积 | 型号 | |||||
| 动态 | 静态 | SKF | SNFA | |||||||
| d | D | H | C | C0 | Pu | |||||
| mm | kN | kN | r/min | kg | - | |||||
| 60 | 145 | 45 | 85,2 | 216 | 8 | 1600 | 4,30 | BEAM 060145-2RS | BEAM 60/145/C 7P60 | |
SKF BEAM 060145-2RS轴承尺寸图纸

