轴承专区
Bearings Center
BDA-8002轴承-SKF BDA-8002轴承尺寸、图纸、价格
SKF BDA-8002轴承
| 产品名称: | BDA-8002轴承 | 品牌: | SKF |
|---|---|---|---|
| 类型: | SKF轴承 > 滚动轴承 > 角接触推力球轴承 | ||
| 描述: | BDA-8002轴承是【SKF轴承 > 滚动轴承 > 角接触推力球轴承】的型号,主要用在各种产业机械、印刷机械、挖土机履带轮、轧钢机辊颈、印刷机械、制铁制钢机械、发电厂、塑料、起重机械、雷达等各大领域 | ||
电话/微信:138-8949-5179
SKF BDA-8002轴承详细信息
BDA-8002轴承是【SKF轴承 > 滚动轴承 > 角接触推力球轴承】的型号,主要用在各种产业机械、印刷机械、挖土机履带轮、轧钢机辊颈、印刷机械、制铁制钢机械、发电厂、塑料、起重机械、雷达等各大领域。
SKF BDA-8002轴承详细参数
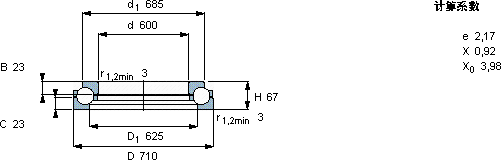
| 角接触推力球轴承, 单向 | |||||||||
| 主要数据尺寸 | 基本负荷额定值 | 疲劳负荷限值 | 最小负荷系数 | 体积 | 型号 | ||||
| 动态 | 静态 | ||||||||
| d | D | H | C | C0 | Pu | A | |||
| mm | kN | kN | - | kg | - | ||||
| 600 | 710 | 67 | 540 | 3550 | 52 | 88 | 41,0 | BDA-8002 | |
SKF BDA-8002轴承尺寸图纸

