李工:138-8949-5179 刘工:135-0428-8802
型号查询
轴承型号   常见搜索: 6304轴承 6021轴承 6009轴承 7014轴承 32313轴承 6309轴承
型号查询 X

轴承专区

Bearings Center

BC4-8042/HA4轴承-SKF BC4-8042/HA4轴承尺寸、图纸、价格

SKF BC4-8042/HA4轴承

产品名称:BC4-8042/HA4轴承 品牌:SKF
类型:SKF轴承 > 滚动轴承 > 圆柱滚子轴承
描述:BC4-8042/HA4轴承是【SKF轴承 > 滚动轴承 > 圆柱滚子轴承】的型号,主要用在仪表、印刷机械、泵、轧钢机辊颈、印刷机械、制铁制钢机械、碾煤机、玩具、起重机械、钢包回转台等各大领域

 电话/微信:138-8949-5179

SKF BC4-8042/HA4轴承详细信息

BC4-8042/HA4轴承是【SKF轴承 > 滚动轴承 > 圆柱滚子轴承】的型号,主要用在仪表、印刷机械、泵、轧钢机辊颈、印刷机械、制铁制钢机械、碾煤机、玩具、起重机械、钢包回转台等各大领域。

SKF BC4-8042/HA4轴承详细参数

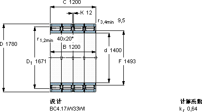
圆柱滚子轴承, 四列, BC4.14
主要数据尺寸基本负荷额定值疲劳负荷限值体积型号
动态静态
dDBCCC0Pu
mmkNkNkg-
14001780120012005230016300093007400BC4-8042/HA4

SKF BC4-8042/HA4轴承尺寸图纸

李工:138-8949-5179

刘工:135-0428-8802

地址:辽宁省大连经济技术开发区现代城3栋-13-13号

在线客服系统