李工:138-8949-5179 刘工:135-0428-8802
型号查询
轴承型号   常见搜索: 6032轴承 23136轴承 6009轴承 2025轴承 6028轴承 6906轴承
型号查询 X

轴承专区

Bearings Center

BC2B 322564轴承-SKF BC2B 322564轴承尺寸、图纸、价格

SKF BC2B 322564轴承

产品名称:BC2B 322564轴承 品牌:SKF
类型:SKF轴承 > 滚动轴承 > 多辊式轧钢机支承轴承
描述:BC2B 322564轴承是【SKF轴承 > 滚动轴承 > 多辊式轧钢机支承轴承】的型号,主要用在仪表、印刷机械、燃汽轮机、轧钢机辊颈、减速装置、制铁制钢机械、碾煤机、薄膜拉伸、堆取料机、钢包回转台等各大领域

 电话/微信:138-8949-5179

SKF BC2B 322564轴承详细信息

BC2B 322564轴承是【SKF轴承 > 滚动轴承 > 多辊式轧钢机支承轴承】的型号,主要用在仪表、印刷机械、燃汽轮机、轧钢机辊颈、减速装置、制铁制钢机械、碾煤机、薄膜拉伸、堆取料机、钢包回转台等各大领域。

SKF BC2B 322564轴承详细参数

用于多辊轧机的背辊轴承, 用于多辊轧机的背辊轴承
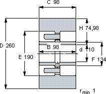
主要数据尺寸基本负荷额定值最大径向负荷体积型号
滚子
动态静态动态静态
DdBCHCC0FrF0r
mmkNkNkg-
260110989874,98968143041558531,0BC2B 322564

SKF BC2B 322564轴承尺寸图纸

李工:138-8949-5179

刘工:135-0428-8802

地址:辽宁省大连经济技术开发区现代城3栋-13-13号

在线客服系统