轴承专区
Bearings Center
ALS 24 ABP轴承-SKF ALS 24 ABP轴承尺寸、图纸、价格
SKF ALS 24 ABP轴承
| 产品名称: | ALS 24 ABP轴承 | 品牌: | SKF |
|---|---|---|---|
| 类型: | SKF轴承 > 滚动轴承 > 角接触球轴承 | ||
| 描述: | ALS 24 ABP轴承是【SKF轴承 > 滚动轴承 > 角接触球轴承】的型号,主要用在燃汽轮机、印刷机械、提升机、轧钢机辊颈、印刷机械、制铁制钢机械、电机厂、玩具、起重机械、数控设备等各大领域 | ||
电话/微信:138-8949-5179
SKF ALS 24 ABP轴承详细信息
ALS 24 ABP轴承是【SKF轴承 > 滚动轴承 > 角接触球轴承】的型号,主要用在燃汽轮机、印刷机械、提升机、轧钢机辊颈、印刷机械、制铁制钢机械、电机厂、玩具、起重机械、数控设备等各大领域。
SKF ALS 24 ABP轴承详细参数
| 角接触球轴承, 单列, 英制轴承 | |||||||||||
| 主要数据尺寸 | 尺寸 [英寸] | 疲劳负荷限值 | 额定速度 | 体积 | 型号 | ||||||
| 动态 | 静态 | 参照速度 | 限制速度 | ||||||||
| d | D | B | C | C0 | Pu | ||||||
| mm | kN | kN | r/min | kg | - | ||||||
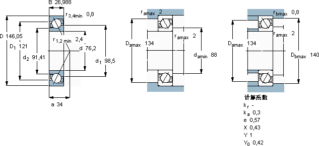
| 76,2 | 146,05 | 26,988 | 95,6 | 81,5 | 3,25 | 6000 | 6000 | 1,85 | ALS 24 ABP | 仅对售后市场 | |
SKF ALS 24 ABP轴承尺寸图纸

