李工:138-8949-5179 刘工:135-0428-8802
型号查询
轴承型号   常见搜索: 6309轴承 6906轴承 7014轴承 6018轴承 6305轴承 6022轴承
型号查询 X

轴承专区

Bearings Center

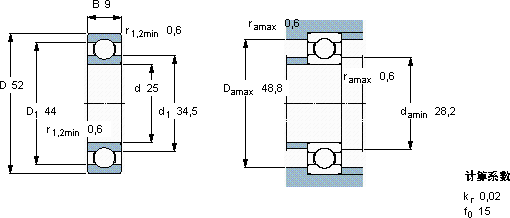
98205轴承-SKF 98205轴承尺寸、图纸、价格

SKF 98205轴承

产品名称:98205轴承 品牌:SKF
类型:SKF轴承 > 滚动轴承 > 深沟球轴承
描述:98205轴承是【SKF轴承 > 滚动轴承 > 深沟球轴承】的型号,主要用在家用电器、油泵、发电机、机床主轴、铁路车辆车轴、起重机吊钩、塔吊、破碎、强夯机、塔式车库等各大领域

 电话/微信:138-8949-5179

SKF 98205轴承详细信息

98205轴承是【SKF轴承 > 滚动轴承 > 深沟球轴承】的型号,主要用在家用电器、油泵、发电机、机床主轴、铁路车辆车轴、起重机吊钩、塔吊、破碎、强夯机、塔式车库等各大领域。

SKF 98205轴承详细参数

深沟球轴承, 单列, 无密封件
主要数据尺寸基本负荷额定值疲劳负荷限值额定速度体积型号
动态静态参照速度限制速度
dDBCC0Pu
mmkNkNr/minkg-
2552910,66,550,2828000180000,07898205

SKF 98205轴承尺寸图纸

李工:138-8949-5179

刘工:135-0428-8802

地址:辽宁省大连经济技术开发区现代城3栋-13-13号

在线客服系统