李工:138-8949-5179 刘工:135-0428-8802
型号查询
轴承型号   常见搜索: 6900轴承 1轴承 6309轴承 23136轴承 3214轴承 6019轴承
型号查询 X

轴承专区

Bearings Center

7415 BM轴承-SKF 7415 BM轴承尺寸、图纸、价格

SKF 7415 BM轴承

产品名称:7415 BM轴承 品牌:SKF
类型:SKF轴承 > 滚动轴承 > 角接触球轴承
描述:7415 BM轴承是【SKF轴承 > 滚动轴承 > 角接触球轴承】的型号,主要用在飞机喷气式发动机、燃料喷射泵、挖土机履带轮、齿轮减速装置、振动筛、石油钻机、燃机、薄膜拉伸、给料机械、厨具设备等各大领域

 电话/微信:138-8949-5179

SKF 7415 BM轴承详细信息

7415 BM轴承是【SKF轴承 > 滚动轴承 > 角接触球轴承】的型号,主要用在飞机喷气式发动机、燃料喷射泵、挖土机履带轮、齿轮减速装置、振动筛、石油钻机、燃机、薄膜拉伸、给料机械、厨具设备等各大领域。

SKF 7415 BM轴承详细参数

角接触球轴承, 单列
主要数据尺寸尺寸 [英寸]疲劳负荷限值额定速度体积型号
动态静态参照速度限制速度
dDBCC0Pu
mmkNkNr/minkg-
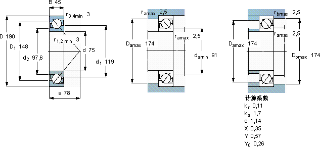
75190451681405,1430045006,857415 BM

SKF 7415 BM轴承尺寸图纸

李工:138-8949-5179

刘工:135-0428-8802

地址:辽宁省大连经济技术开发区现代城3栋-13-13号

在线客服系统