轴承专区
Bearings Center
7411 BM轴承-SKF 7411 BM轴承尺寸、图纸、价格
SKF 7411 BM轴承
| 产品名称: | 7411 BM轴承 | 品牌: | SKF |
|---|---|---|---|
| 类型: | SKF轴承 > 滚动轴承 > 角接触球轴承 | ||
| 描述: | 7411 BM轴承是【SKF轴承 > 滚动轴承 > 角接触球轴承】的型号,主要用在飞机喷气式发动机、空气压缩机、中型及大型电动机、大型农业机械、木工机械、汽车转向销、燃机、音像设备、掘进机、钢包回转台等各大领域 | ||
电话/微信:138-8949-5179
SKF 7411 BM轴承详细信息
7411 BM轴承是【SKF轴承 > 滚动轴承 > 角接触球轴承】的型号,主要用在飞机喷气式发动机、空气压缩机、中型及大型电动机、大型农业机械、木工机械、汽车转向销、燃机、音像设备、掘进机、钢包回转台等各大领域。
SKF 7411 BM轴承详细参数
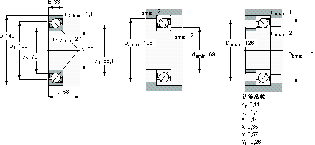
| 角接触球轴承, 单列 | |||||||||||
| 主要数据尺寸 | 尺寸 [英寸] | 疲劳负荷限值 | 额定速度 | 体积 | 型号 | ||||||
| 动态 | 静态 | 参照速度 | 限制速度 | ||||||||
| d | D | B | C | C0 | Pu | ||||||
| mm | kN | kN | r/min | kg | - | ||||||
| 55 | 140 | 33 | 111 | 76,5 | 3,25 | 6000 | 6300 | 2,75 | 7411 BM | ||
SKF 7411 BM轴承尺寸图纸

