李工:138-8949-5179 刘工:135-0428-8802
型号查询
轴承型号   常见搜索: 6017轴承 6003轴承 6028轴承 6909轴承 1轴承 6005轴承
型号查询 X

轴承专区

Bearings Center

7408 BGBM轴承-SKF 7408 BGBM轴承尺寸、图纸、价格

SKF 7408 BGBM轴承

产品名称:7408 BGBM轴承 品牌:SKF
类型:SKF轴承 > 滚动轴承 > 角接触球轴承
描述:7408 BGBM轴承是【SKF轴承 > 滚动轴承 > 角接触球轴承】的型号,主要用在铁路车辆、油泵、汽车发动机、机床主轴、轧钢机辊道子、起重机吊钩、冶炼厂、塑料、专用车、机械手等各大领域

 电话/微信:138-8949-5179

SKF 7408 BGBM轴承详细信息

7408 BGBM轴承是【SKF轴承 > 滚动轴承 > 角接触球轴承】的型号,主要用在铁路车辆、油泵、汽车发动机、机床主轴、轧钢机辊道子、起重机吊钩、冶炼厂、塑料、专用车、机械手等各大领域。

SKF 7408 BGBM轴承详细参数

角接触球轴承, 单列
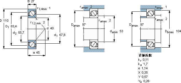
主要数据尺寸尺寸 [英寸]疲劳负荷限值额定速度体积型号
动态静态参照速度限制速度
dDBCC0Pu
mmkNkNr/minkg-
401102770,2451,9800080001,407408 BGBM

SKF 7408 BGBM轴承尺寸图纸

李工:138-8949-5179

刘工:135-0428-8802

地址:辽宁省大连经济技术开发区现代城3栋-13-13号

在线客服系统