李工:138-8949-5179 刘工:135-0428-8802
型号查询
轴承型号   常见搜索: 23136轴承 6305轴承 6030轴承 6019轴承 6010轴承 6014轴承
型号查询 X

轴承专区

Bearings Center

7344 BCBM轴承-SKF 7344 BCBM轴承尺寸、图纸、价格

SKF 7344 BCBM轴承

产品名称:7344 BCBM轴承 品牌:SKF
类型:SKF轴承 > 滚动轴承 > 角接触球轴承
描述:7344 BCBM轴承是【SKF轴承 > 滚动轴承 > 角接触球轴承】的型号,主要用在铁路车辆、油泵、燃汽轮机、机床主轴、造纸机械、起重机吊钩、冶炼厂、医药设备、专用车、机械手等各大领域

 电话/微信:138-8949-5179

SKF 7344 BCBM轴承详细信息

7344 BCBM轴承是【SKF轴承 > 滚动轴承 > 角接触球轴承】的型号,主要用在铁路车辆、油泵、燃汽轮机、机床主轴、造纸机械、起重机吊钩、冶炼厂、医药设备、专用车、机械手等各大领域。

SKF 7344 BCBM轴承详细参数

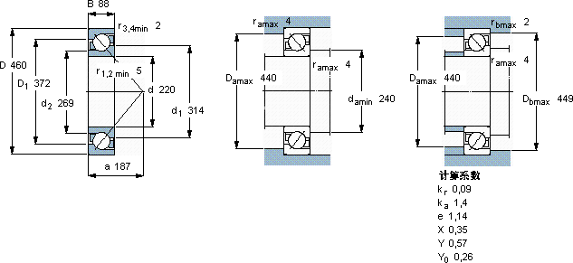
角接触球轴承, 单列
主要数据尺寸尺寸 [英寸]疲劳负荷限值额定速度体积型号
动态静态参照速度限制速度
dDBCC0Pu
mmkNkNr/minkg-
2204608849472016,61600170070,07344 BCBM

SKF 7344 BCBM轴承尺寸图纸

李工:138-8949-5179

刘工:135-0428-8802

地址:辽宁省大连经济技术开发区现代城3栋-13-13号

在线客服系统